我們從安裝處理、磁場干擾、觸點保護幾個方面闡述接近傳感器及接近開關使用注意事項。
處理
安裝接近開關用的M3螺絲的擰緊力矩最大為5kgcm2。 避免使用氣動螺絲刀等對傳感器十沖擊及震動力的工具
安裝表面必須平滑,沒有突起物。不平的安裝表面會對接近開關(接近傳感器)施加應力,可能會引起內部干簧管隨毀 若傳感器自己30cm或以上高度跌落硬表面,其工作特性可能會改變(變壞)。
處理傳感器必須小心
磁場干擾
緊鄰接近開關存在機械,例如有電動機及螺絲線管時,可能會引起傳感器特性改變,導致誤動作。
將接近開關置于遠離該等磁場產生源裝置之地方,或者加裝磁屏蔽保護,可能是必須的。
緊鄰接近開關存在磁鐵材料(例如鐵板等)可能會使接近傳感器的工作特性改變,需要對開關的工作作出鑒定核對。
觸點保護
電感性負載
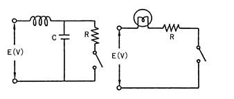
當將磁簧式接近傳感器(接近開關)用于開關電感性負載,例如電動機繼電器線圈、螺線管等,當觸點打開時,它們將會遭受高電感電壓的沖擊,這種(瞬時)高壓可能會使傳感器觸點損壞且顯著地減少其使用壽命。因此,建議采用保護電路,例如電阻容(抑制)電路,變阻器或者位二極管。
電容性負數
當將干簧管式傳感器(接近開關)用于開關電容性負載(例如電容器)、白X燈或者長電纜(緩沖器)時,觸點將遭受大浪涌電流的沖擊.因此建議采用諸如浪涌抑制或限流電阻器之類的保護電路.



